|
Главная / Каталог / Пневмораспределители / 3Р-Х-2ХХ-3; 5Р-Х-2ХХ-3
Распределители трех- и пятилинейные «3Р-Х-2ХХ-3», «5Р-Х-2ХХ-3» с условным проходом (Ду) 4; 6;10 и16 мм двухпозиционные с электропневматическимс возможностью ручного дублирования одно- и двухстронним управлением предназначены для изменения направления потоков сжатого воздуха в пневмоприводах различного назначения.
Конструкция распределительного устройства: цилиндрический золотник с эластичными уплотнениями.
Присоединение: резьбовые отверстия в корпусе распределителя.
Рабочая среда - сжатый воздух, очищенный не грубее 10 класса загрязненности по ГОСТ 17433, содержащий распыленное масло вязкостью 10…35 мм2/с (сСт) при температуре 50 ºС.
Климатическое исполнение УХЛ и О, категория размещения 4 по ГОСТ 15150.
Виброустойчивость и вибропрочность соответствуют III степени жесткости по ГОСТ 28988.
Пневмораспределители устанавливаются в любом пространственном положении кроме двухпозиционных с двухсторонним управлением, для которых монтажное положение-горизонтальное. При монтаже распределители крепятся двумя винтами через отверстия в корпусе.
Распределитель 3/2 с односторонним управлением изготавливается в нормально-закрытом (НЗ) и нормально-открытом (НО) исполнении. В исзодном положении для НЗ исполнения канал питания отсечен от выходного канала (2), который соединен с атмосферным, а для НО исполнений канал питания соединен с каналом (2), атмосферный отсечен.
Обозначение при заказе 3Р-Х-2ХХ-3; 5Р-Х-2ХХ-3

Пневмораспределитель 3Р-4-233-3
|
Характеристики |
Значения | |
Схема |

| |
Исполнение |
Трехлинейный, двухпозиционный с односторонним электропневматическим управлением и пружинным возвратом в исходное положение. Конструкция распределительного устройства: цилиндрический золотник | |
Условный проход, мм |
4 | |
Тип присоединения |
Резьбовое, с трубной присоединительной резьбой в корпусе распределителя | |
Присоединение пневмолиний, дюйм:канал питания (1) |
G1/8 | |
Присоединение пневмолиний, дюйм:выходные каналы (2); (4) |
G1/8 | |
Присоединение пневмолиний, дюйм:атмосферные (3) ; (5) |
G1/8 | |
Номинальное давление, МПа |
0,9 | |
Минимальное давление, МПа, не более |
0.15 | |
Время включения, с, не более |
0,063 | |
Время выключения, с, не более |
0,100 | |
Максимальное число срабатываний, в мин., не менее |
300 | |
Номинальное напряжение питания постоянного тока, В |
12, 24, 48, 110 | |
Номинальное напряжение питания переменного тока частотой 50Гц, В |
24,36,48,110,220 | |
Номинальная потребляемая мощность постоянного тока, Вт, не более |
4,8 | |
Номинальная потребляемая мощность переменного тока частотой 50 Гц, ВА, не более |
5,5 | |
Пропускная способность Kv*, м3/ч, не менее |
0,78 | |
Масса, кг, не более |
0,17 | |
Примечание |
*Kv определяется по ГОСТ 14691 |
Пневмораспределитель 3Р-6-233-3
|
Характеристики |
Значения | |
Схема |

| |
Исполнение |
Трехлинейный, двухпозиционный с односторонним электропневматическим управлением и пружинным возвратом в исходное положение. Конструкция распределительного устройства: цилиндрический золотник | |
Условный проход, мм |
6 | |
Тип присоединения |
Резьбовое, с трубной присоединительной резьбой в корпусе распределителя | |
Присоединение пневмолиний, дюйм:канал питания (1) |
G1/4 | |
Присоединение пневмолиний, дюйм:выходные каналы (2); (4) |
G1/4 | |
Присоединение пневмолиний, дюйм:атмосферные (3) ; (5) |
G1/8 | |
Номинальное давление, МПа |
0,9 | |
Минимальное давление, МПа, не более |
0.15 | |
Время включения, с, не более |
0,063 | |
Время выключения, с, не более |
0,100 | |
Максимальное число срабатываний, в мин., не менее |
300 | |
Номинальное напряжение питания постоянного тока, В |
12, 24, 48, 110 | |
Номинальное напряжение питания переменного тока частотой 50Гц, В |
24,36,48,110,220 | |
Номинальная потребляемая мощность постоянного тока, Вт, не более |
4,8 | |
Номинальная потребляемая мощность переменного тока частотой 50 Гц, ВА, не более |
5,5 | |
Пропускная способность Kv*, м3/ч, не менее |
1.04 | |
Масса, кг, не более |
0,19 | |
Примечание |
*Kv определяется по ГОСТ 14691 |
Пневмораспределитель 3Р-10-233-3
|
Характеристики |
Значения | |
Схема |

| |
Исполнение |
Трехлинейный, двухпозиционный с односторонним электропневматическим управлением и пружинным возвратом в исходное положение. Конструкция распределительного устройства: цилиндрический золотник | |
Условный проход, мм |
10 | |
Тип присоединения |
Резьбовое, с трубной присоединительной резьбой в корпусе распределителя | |
Присоединение пневмолиний, дюйм:канал питания (1) |
G3/8 | |
Присоединение пневмолиний, дюйм:выходные каналы (2); (4) |
G3/8 | |
Присоединение пневмолиний, дюйм:атмосферные (3) ; (5) |
G1/4 | |
Номинальное давление, МПа |
0,9 | |
Минимальное давление, МПа, не более |
0.15 | |
Время включения, с, не более |
0,063 | |
Время выключения, с, не более |
0,100 | |
Максимальное число срабатываний, в мин., не менее |
240 | |
Номинальное напряжение питания постоянного тока, В |
12, 24, 48, 110 | |
Номинальное напряжение питания переменного тока частотой 50Гц, В |
24,36,48,110,220 | |
Номинальная потребляемая мощность постоянного тока, Вт, не более |
4,8 | |
Номинальная потребляемая мощность переменного тока частотой 50 Гц, ВА, не более |
5,5 | |
Пропускная способность Kv*, м3/ч, не менее |
1.95 | |
Масса, кг, не более |
0,20 | |
Примечание |
*Kv определяется по ГОСТ 14691 |
Пневмораспределитель 3Р-16-233-3
|
Характеристики |
Значения | |
Схема |

| |
Исполнение |
Трехлинейный, двухпозиционный с односторонним электропневматическим управлением и пружинным возвратом в исходное положение. Конструкция распределительного устройства: цилиндрический золотник | |
Условный проход, мм |
16 | |
Тип присоединения |
Резьбовое, с трубной присоединительной резьбой в корпусе распределителя | |
Присоединение пневмолиний, дюйм:канал питания (1) |
G1/2 | |
Присоединение пневмолиний, дюйм:выходные каналы (2); (4) |
G1/2 | |
Присоединение пневмолиний, дюйм:атмосферные (3) ; (5) |
G1/2 | |
Номинальное давление, МПа |
0,9 | |
Минимальное давление, МПа, не более |
0.15 | |
Время включения, с, не более |
0,063 | |
Время выключения, с, не более |
0,100 | |
Максимальное число срабатываний, в мин., не менее |
180 | |
Номинальное напряжение питания постоянного тока, В |
12, 24, 48, 110 | |
Номинальное напряжение питания переменного тока частотой 50Гц, В |
24,36,48,110,220 | |
Номинальная потребляемая мощность постоянного тока, Вт, не более |
4,8 | |
Номинальная потребляемая мощность переменного тока частотой 50 Гц, ВА, не более |
5,5 | |
Пропускная способность Kv*, м3/ч, не менее |
3.26 | |
Масса, кг, не более |
0,50 | |
Примечание |
*Kv определяется по ГОСТ 14691 |
Пневмораспределитель 5Р-4-233-3
|
Характеристики |
Значения | |
Схема |

| |
Исполнение |
Пятилинейный, двухпозиционный с односторонним электропневматическим управлением и пружинным возвратом в исходное положение. Конструкция распределительного устройства: цилиндрический золотник | |
Условный проход, мм |
6 | |
Тип присоединения |
Резьбовое, с трубной присоединительной резьбой в корпусе распределителя | |
Присоединение пневмолиний питания «1», выходных «2» и «4», дюйм |
G1/8 | |
Присоединение атмосферных пневмолиний «3» и «5», дюйм |
G1/8 | |
Номинальное давление, МПа |
1,0 | |
Минимальное давление, МПа, не более |
0.35 | |
Время включения, с, не более |
0,063 | |
Время выключения, с, не более |
0,063 | |
Максимальное число срабатываний, в мин., не менее |
300 | |
Номинальное напряжение питания постоянного тока, В |
12, 24, 48, 110 | |
Номинальное напряжение питания переменного тока частотой 50Гц, В |
24,36,48,110,220 | |
Номинальная потребляемая мощность постоянного тока, Вт, не более |
4,8 | |
Номинальная потребляемая мощность переменного тока частотой 50 Гц, ВА, не более |
5,5 | |
Пропускная способность Kv*, м3/ч, не менее |
0,75 | |
Масса, кг, не более |
0,22 | |
Примечание |
*Kv определяется по ГОСТ 14691 |
Пневмораспределитель 5Р-6-233-3
|
Характеристики |
Значения | |
Схема |

| |
Исполнение |
Пятилинейный, двухпозиционный с односторонним электропневматическим управлением и пружинным возвратом в исходное положение. Конструкция распределительного устройства: цилиндрический золотник | |
Условный проход, мм |
6 | |
Тип присоединения |
Резьбовое, с трубной присоединительной резьбой в корпусе распределителя | |
Присоединение пневмолиний питания «1», выходных «2» и «4», дюйм |
G1/4 | |
Присоединение атмосферных пневмолиний «3» и «5», дюйм |
G1/8 | |
Номинальное давление, МПа |
0.9 | |
Минимальное давление, МПа, не более |
0.15 | |
Время включения, с, не более |
0,063 | |
Время выключения, с, не более |
0,063 | |
Максимальное число срабатываний, в мин., не менее |
300 | |
Номинальное напряжение питания постоянного тока, В |
12, 24, 48, 110 | |
Номинальное напряжение питания переменного тока частотой 50Гц, В |
24,36,48,110,220 | |
Номинальная потребляемая мощность постоянного тока, Вт, не более |
4,8 | |
Номинальная потребляемая мощность переменного тока частотой 50 Гц, ВА, не более |
5,5 | |
Пропускная способность Kv*, м3/ч, не менее |
1.04 | |
Масса, кг, не более |
0,22 | |
Примечание |
*Kv определяется по ГОСТ 14691 |
Пневмораспределитель 5Р-10-233-3
|
Характеристики |
Значения | |
Схема |

| |
Исполнение |
Пятилинейный, двухпозиционный с односторонним электропневматическим управлением и пружинным возвратом в исходное положение. Конструкция распределительного устройства: цилиндрический золотник | |
Условный проход, мм |
10 | |
Тип присоединения |
Резьбовое, с трубной присоединительной резьбой в корпусе распределителя | |
Присоединение пневмолиний питания «1», выходных «2» и «4», дюйм |
G3/8 | |
Присоединение атмосферных пневмолиний «3»; «5», дюйм |
G1/4 | |
Номинальное давление, МПа |
0.9 | |
Минимальное давление, МПа, не более |
0.15 | |
Время включения, с, не более |
0,063 | |
Время выключения, с, не более |
0,063 | |
Максимальное число срабатываний, в мин., не менее |
240 | |
Номинальное напряжение питания постоянного тока, В |
12, 24, 48, 110 | |
Номинальное напряжение питания переменного тока частотой 50Гц, В |
24,36,48,110,220 | |
Номинальная потребляемая мощность постоянного тока, Вт, не более |
4,8 | |
Номинальная потребляемая мощность переменного тока частотой 50 Гц, ВА, не более |
5,5 | |
Пропускная способность Kv*, м3/ч, не менее |
1,95 | |
Масса, кг, не более |
0,31 | |
Примечание |
*Kv определяется по ГОСТ 14691 |
Пневмораспределитель 5Р-16-233-3
|
Характеристики |
Значения | |
Схема |

| |
Исполнение |
Пятилинейный, двухпозиционный с односторонним электропневматическим управлением и пружинным возвратом в исходное положение. Конструкция распределительного устройства: цилиндрический золотник | |
Условный проход, мм |
16 | |
Тип присоединения |
Резьбовое, с трубной присоединительной резьбой в корпусе распределителя | |
Присоединение пневмолиний питания «1», выходных «2» и «4», дюйм |
G1/2 | |
Присоединение атмосферных пневмолиний «3»; «5», дюйм |
G1/2 | |
Номинальное давление, МПа |
0.9 | |
Минимальное давление, МПа, не более |
0.15 | |
Время включения, с, не более |
0,063 | |
Время выключения, с, не более |
0,063 | |
Максимальное число срабатываний, в мин., не менее |
180 | |
Номинальное напряжение питания постоянного тока, В |
12, 24, 48, 110 | |
Номинальное напряжение питания переменного тока частотой 50Гц, В |
24,36,48,110,220 | |
Номинальная потребляемая мощность постоянного тока, Вт, не более |
4,8 | |
Номинальная потребляемая мощность переменного тока частотой 50 Гц, ВА, не более |
5,5 | |
Пропускная способность Kv*, м3/ч, не менее |
3.26 | |
Масса, кг, не более |
0,59 | |
Примечание |
*Kv определяется по ГОСТ 14691 |
Пневмораспределитель 5Р-4-232-3
|
Характеристики |
Значения | |
Схема |

| |
Исполнение |
Пятилинейный, двухпозиционный с двухстронним электропневматическим управлением. Конструкция распределительного устройства: цилиндрический золотник | |
Условный проход, мм |
4 | |
Тип присоединения |
Резьбовое, с трубной присоединительной резьбой в корпусе распределителя | |
Присоединение пневмолиний питания «1», выходных «2» и «4», дюйм: |
G1/8 | |
Присоединение атмосферных пневмолиний «3» и «5», дюйм |
G1/8 | |
Номинальное давление, МПа |
0.9 | |
Минимальное давление, МПа, не более |
0.15 | |
Время включения, с, не более |
0,063 | |
Время выключения, с, не более |
0,120 | |
Максимальное число срабатываний, в мин., не менее |
300 | |
Номинальное напряжение питания постоянного тока, В |
12, 24, 48, 110 | |
Номинальное напряжение питания переменного тока частотой 50Гц, В |
24,36,48,110,220 | |
Номинальная потребляемая мощность постоянного тока, Вт, не более |
4,8 | |
Номинальная потребляемая мощность переменного тока частотой 50 Гц, ВА, не более |
5,5 | |
Пропускная способность Kv*, м3/ч, не менее |
0,78 | |
Масса, кг, не более |
0,28 | |
Примечание |
*Kv определяется по ГОСТ 14691 |
Пневмораспределитель 5Р-6-232-3
|
Характеристики |
Значения | |
Схема |

| |
Исполнение |
Пятилинейный, двухпозиционный с двухстронним электропневматическим управлением. Конструкция распределительного устройства: цилиндрический золотник | |
Условный проход, мм |
6 | |
Тип присоединения |
Резьбовое, с трубной присоединительной резьбой в корпусе распределителя | |
Присоединение пневмолиний питания «1», выходных «2» и «4», дюйм: |
G1/4 | |
Присоединение атмосферных пневмолиний «3» и «5», дюйм |
G1/8 | |
Номинальное давление, МПа |
0.9 | |
Минимальное давление, МПа, не более |
0.15 | |
Время включения, с, не более |
0,063 | |
Время выключения, с, не более |
0,120 | |
Максимальное число срабатываний, в мин., не менее |
300 | |
Номинальное напряжение питания постоянного тока, В |
12, 24, 48, 110 | |
Номинальное напряжение питания переменного тока частотой 50Гц, В |
24,36,48,110,220 | |
Номинальная потребляемая мощность постоянного тока, Вт, не более |
4,8 | |
Номинальная потребляемая мощность переменного тока частотой 50 Гц, ВА, не более |
5,5 | |
Пропускная способность Kv*, м3/ч, не менее |
1.04 | |
Масса, кг, не более |
0,32 | |
Примечание |
*Kv определяется по ГОСТ 14691 |
Пневмораспределитель 5Р-10-232-3
|
Характеристики |
Значения | |
Схема |

| |
Исполнение |
Пятилинейный, двухпозиционный с двухстронним электропневматическим управлением. Конструкция распределительного устройства: цилиндрический золотник | |
Условный проход, мм |
10 | |
Тип присоединения |
Резьбовое, с трубной присоединительной резьбой в корпусе распределителя | |
Присоединение пневмолиний питания «1», выходных «2» и «4», дюйм |
G3/8 | |
Присоединение атмосферных пневмолиний «3» и «5», дюйм |
G1/4 | |
Номинальное давление, МПа |
0.9 | |
Минимальное давление, МПа, не более |
0.15 | |
Время включения, с, не более |
0,063 | |
Время выключения, с, не более |
0,120 | |
Максимальное число срабатываний, в мин., не менее |
240 | |
Номинальное напряжение питания постоянного тока, В |
12, 24, 48, 110 | |
Номинальное напряжение питания переменного тока частотой 50Гц, В |
24,36,48,110,220 | |
Номинальная потребляемая мощность постоянного тока, Вт, не более |
4,8 | |
Номинальная потребляемая мощность переменного тока частотой 50 Гц, ВА, не более |
5,5 | |
Пропускная способность Kv*, м3/ч, не менее |
1,95 | |
Масса, кг, не более |
0,40 | |
Примечание |
*Kv определяется по ГОСТ 14691 |
Пневмораспределитель 5Р-16-232-3
|
Характеристики |
Значения | |
Схема |

| |
Исполнение |
Пятилинейный, двухпозиционный с двухстронним электропневматическим управлением. Конструкция распределительного устройства: цилиндрический золотник | |
Условный проход, мм |
16 | |
Тип присоединения |
Резьбовое, с трубной присоединительной резьбой в корпусе распределителя | |
Присоединение пневмолиний питания «1», выходных «2» и «4», дюйм |
G1/2 | |
Присоединение атмосферных пневмолиний «3» и «5», дюйм |
G1/2 | |
Номинальное давление, МПа |
0.9 | |
Минимальное давление, МПа, не более |
0.15 | |
Время включения, с, не более |
0,063 | |
Время выключения, с, не более |
0,120 | |
Максимальное число срабатываний, в мин., не менее |
180 | |
Номинальное напряжение питания постоянного тока, В |
12, 24, 48, 110 | |
Номинальное напряжение питания переменного тока частотой 50Гц, В |
24,36,48,110,220 | |
Номинальная потребляемая мощность постоянного тока, Вт, не более |
4,8 | |
Номинальная потребляемая мощность переменного тока частотой 50 Гц, ВА, не более |
5,5 | |
Пропускная способность Kv*, м3/ч, не менее |
3.26 | |
Масса, кг, не более |
0,77 | |
Примечание |
*Kv определяется по ГОСТ 14691 |
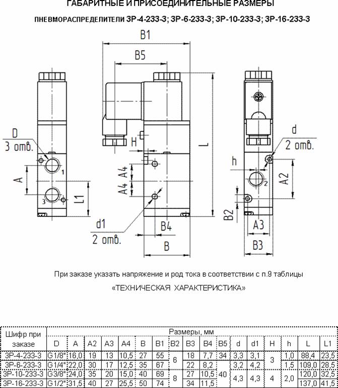
Чертеж 3Р-Х-2ХХ-3; 5Р-Х-2ХХ-3



|
Карта сайта
Информация
› Оцените нашу работу
Получено оценок:
Хорошо | 2 чел.
Удовл. | 1 чел.
Плохо | 2 чел.
Как связаться
| Тел./факс: | (4812) 209-305 (4812) 209-306 (4812) 209-307 (4812) 209-308 (4812) 209-310 (4812) 209-311 |
| E-mail: info@tizpribor.ru |
Полезные ссылки
Политика конфиденциальности
|